Am Radio Ic
Ic Ta2003 Ta2003p Dip16 Fm Am Radio Ic Di Lapak Arselantronik
Am Radio Circuit Page 3 Rf Circuits Next Gr
Low Cost Simple Am Receiver Circuit Designed Based On Ic Mk484
Ta7642 A Chip Am Radio Ic With Agc Di Lapak Tektron Bukalapak
Tda7088t Am Fm Radio Application
Mini Am Radio Receiver Circuit
Simple Am Radio Circuit Using Ta7642 Ic Circuit Diagram
Am Radio Circuit Rf Circuits Next Gr
Membuat Radio Am Fm Stereo Dengan Ic Cxa1528
Am Radio Fm If Stereo System Ic
Ta7642 Datasheet Pdf Am Radio Ic To92
Am Radio Fm If Stereo System Ic
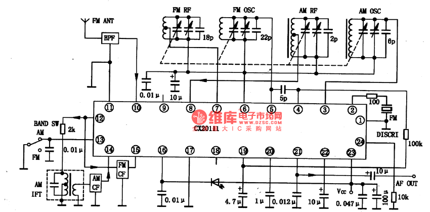
Cx2o111 The Am Fm Radio Integrated Circuit Audio Circuit
The Cxa1033p Am Single Chip Radio Integrated Circuit
Fm Am Radio Ic Cxa1619 Cxa1619bs Cxa1619as Dip 30 Buy Radio Fm
Nr 9611 Am Radio Receiver Schematic Wiring
2pcs Mk484 484 To 92 New Miniature Ic Receiver For Am Radio
Pin By Mertferi On Elektronika In 2020 Radio Elektronika
Jual Pcb Radio Am Fm Ic Tea 5711 Stereo Jakarta Barat Aiyra
Radio Receivers Download Antivirus Timeline Pictures Posters
Two Chips Am Radio Receiver Electronic Schematic Diagram
Am Radio Using 555 Timer Ic Youtube
Fm Am Radio Ic Ak Modul Bus Computer Fm Am Radio Ic 1 Overview
Cd2003gp Datasheet Pdf Fm Am Radio Ic Wuxi China
Sa2132 Ic Am Fm Radio Receiver Buy Sa2132 Ic Sa2132 Ic Chip
Jual Produk Ta2003 Ic Am Fm Murah Dan Terlengkap Mei 2020 Bukalapak
Vr 1808 Am Radio Receiver Circuit
Am Radio Receiver With Mk484 Ic Circuit Diagram
Untuk Radio Am Karena Sekarang Sudah Susah Untuk Mencari Ic Zn 414
Niguru Com Mari Bernostalgia Bersama Radio Am Sederhana Yang
Cxa1191 110666 Amplifier Detector Radio
Figure 1 From A Single Chip Am Fm Integrated Circuit Radio
Am Radio Fm If Stereo System Ic Classiccmp
Am Radio Circuit Page 4 Rf Circuits Next Gr
Zeal Tech Am Transmitter Using 555
Cd1691cb Is A Highly Integrated Single Chip Fewer External
Cxa1691bs Datasheet Pdf Sony Semiconductor
Amazon Com Electronics123 Com Inc Mk484 Ta7642 Am Radio Ic
Simple Radio Receiver With Lm386 Ic Mikroelektronika
A Complete Single Chip Am Fm Radio Integrated Circuit Semantic
Amazon Com Dbparts New For 20 Pcs Ta7642 To 92 One Chip Am Radio
Am Radio Receiver Using The Ne602 Balanced Mixer
Ta7642 Ic Datasheet Pdf Radio Ic Equivalent Catalog
Fm Am Radio Ic Ak Modul Bus Computer Fm Am Radio Ic 1 Overview
Shotech Steffen Hofmann Am Radio Chip Ta7642
Diy Zx2051 Type Ic Fm Am Radio Kit Electroinc Learning Kit Danduino
Page 1 Of 6 Zn414 Am Radio Receiver Ic 25 08 2009 Http Cool386
Unik Ba1450s Ba1450 Am Fm If Stereo Ic Radio Receiver Limited
Com 11737 Sparkfun Si4735 D60 Gu Am Fm Radio Ic Arduino
Am Radio Receiver With Single Ic Mk484 Inductor Amplifier
Am Radio Circuit Diagram Electronic Schematic Diagram
China Electronic Original Cxa1191m Cxa1191 Sop Fm Am Radio Chip
Ta8164p Ic Datasheet Pdf Radio Ic Equivalent Catalog
Ys414 Am Radio Ic Mike S Electronic Parts
Diy Zx2051 Type Ic Fm Am Radio Kit Electroinc Learning Kit Mod0028
Jual Beli Elenco Two Ic Am Radio Kit Harga Murah Dari Amazon Com
Am Radio Receiver Electronic Circuit Diagram
5pcs Lot Mk484 Transistor Hua Am Radio Receivers Ic To 92
Cg 9446 Single Chip Fm Radio Circuit Electronic Circuits And
Jual Blitzwolf Diy Zx2051 Type Ic Fm Am Radio Kit Electroinc
Question About An Am Demodulator Ic Electronics Forum
Ba1442a Datasheet Pdf Datasheet4u Com
Simple Am Radio Receiver With Mk484 Ic
Pcb Radio Cb Transceiver Citizen Band Am 27mhz Plus Part Ic
Simple Am Radio For Electronic Student Ic Mk484 Unassembled Kit
Yd1191 Datasheet Wuxi Youda Electronics Pdf Data Sheet Free From
Jual Beli Elenco Am Radio Kit Combo Ic Transistor Soldering
Yd1191 Datasheet Single Chip Fm Am Radio Ic
10 Pcs Lot Baru Ta2003 Ta2003p Dip 16 Am Fm Radio Ic Chip Sirkuit
Ta2003p Datasheet Pinout Features And Circuit Details Circuits Diy
How To Build An Am Radio Circuit With A Zn416e Chip
Cd7642cp 512669 Pdf Datasheet Download Ic On Line
Cxa1619bm Datasheet Pinout Application Circuits Fm Am Radio
Am Radio Rp 71 Ic Radio Toshiba Corporation Tokyo Build 19
Csc2003p Datasheet Am Fm Radio Ic Ta2003
Hobbies Mekatronika Kumpulan Skema Pcb Radio Tuner Am Fm
Question About A Radio Circuit Electronics Forum Circuits
Bk1088 Am Fm Radio Ic Penerima Fm Ic Bk1088 Ssop20 Buy Radio Am
Cxa1619 Fm Stereo Am Radio Ic Smd Mas Infionex E Store
Mk484 Radio With Loudspeaker Amplifier Circuit Circuit Diagram
1pcs New Cxa1619bs Sony Encapsulation Dip 30 One Chip Fm Am Radio
Elenco Am 550ck Am Radio Kit Combo Transistor And Ic Tequipment
Nte744 Ic Rf If Amp Am Radio 14 Pin Dip Grieder Elektronik
Jual Produk Chip Am Radio Ic Murah Dan Terlengkap Februari 2020
Ic Ta2003 Ta2003p Dip16 Fm Am Radio Ic Komponen Elektronik
Jual Ys414 Am Radio Receiver Zn414 Kota Bandung Tektron
Simple Am Radio Using Mk484 Ic Youtube
Best Promo 158cj 1pcs Cxa1538s Cxa1538 Dip 30 Original In Stock
Am Radio Circuit Page 2 Rf Circuits Next Gr
Cxa1111 Datasheet Sony Pdf Data Sheet Free From Www Radioradar Net






